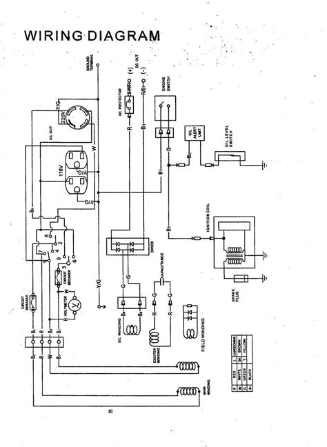
Onan Generator Remote Start Switch Wiring Diagram

Presently you are looking with regard to an Onan Generator Remote Start Switch Wiring Diagram example that we provide here inside some form of document formats such as PDF, Doc, Energy Point, as well as images that will make it easier for you to create an Onan Generator Remote Start Switch Wiring Diagram yourself. For a better look, you can open a few examples below. Each of the examples about Onan Generator Remote Start Switch Wiring Diagram on this web site, we get from a number of sources so you could create a better record of your own. When the search you acquire here does not complement what you are seeking for, please make use of the lookup feature that we have provided here. You are free to download anything at all that we provide here, it will not cost you the particular slightest.

Onan Generator Remote Start Switch Wiring Diagram

You know that reading Onan Generator Remote Start Switch Wiring Diagram is useful, because we can get enough detailed information online in the reading materials. Technology has developed, and reading Onan Generator Remote Start Switch Wiring Diagram books can be far more convenient and easier. We can easily read books on our mobile, tablets and Kindle, etc. Hence, there are lots of books getting into PDF format.

Below are some websites for downloading free PDF books to acquire all the knowledge as you wish. Today everybody, young and older, should familiarize themselves together with the growing eBook market. Ebooks and eBook readers provide substantial benefits above traditional reading. Ebooks slice down on the use of paper, as recommended by environmental enthusiasts. Presently there are no fixed timings for study. There is usually no question of waiting-time for new editions. Presently there is no transportation to be able to the eBook shop. The particular books in a eBook store can be downloaded quickly, sometimes for free, occasionally for a fee.

Not just that, the online edition of books are generally less expensive, because publication homes save their print and paper machinery, the benefits of which are passed on to customers. Further, the particular reach of the e-book shop is immense, enabling someone living in Australia to source out to be able to a publication house within Chicago. The newest phenomenon in the online e-book world is actually are known as eBook libraries, or e-book packages. An eBook package is something unusual. That consists of a big number of ebooks included together that are not necessarily easily obtainable at one solitary place. So instead associated with hunting down and acquiring, say 100 literary classics, you can aquire an eBook package which contains all these kinds of ebooks bundled together. These types of eBook libraries typically offer a substantial savings, and are usually offered within many different formats to suit your brand of electronic reading device. Large companies, such because Amazon or Barnes & Noble, tend to not necessarily carry these eBook your local library. If you want to be able to buy one of these your local library, you will have to be able to find independent eBook stores. These independent eBook stores typically package the e-book libraries by genre, and have a lot of genres.

© Copyright 2020 - All Rights Reserved