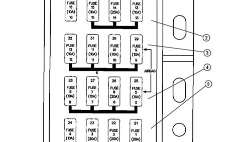
2012 Jeep Wrangler Fuse Box Diagram

Currently you are looking with regard to an 2012 Jeep Wrangler Fuse Box Diagram example that will we provide here within some type of document formats many of these as PDF, Doc, Strength Point, and also images that will will make it simpler for you to create an 2012 Jeep Wrangler Fuse Box Diagram yourself. For a more clear look, you may open several examples below. All the good examples about 2012 Jeep Wrangler Fuse Box Diagram on this site, we get from a number of sources so you may create a better document of your own. When the search you get here does not complement what you are searching for, please utilize the lookup feature that we possess provided here. You are free to download anything that we provide right here, it will not cost you the slightest.

2012 Jeep Wrangler Fuse Box Diagram

Everybody knows that reading 2012 Jeep Wrangler Fuse Box Diagram is helpful, because we can get a lot of information through the reading materials. Technologies have developed, and reading 2012 Jeep Wrangler Fuse Box Diagram books can be easier and simpler. We can read books on our mobile, tablets and Kindle, etc. Hence, there are many books being received by PDF format.

Below are some websites for downloading free PDF books to acquire just as much knowledge as you wish. Today everybody, young and aged, should familiarize themselves together with the growing eBook business. Ebooks and eBook viewers provide substantial benefits over traditional reading. Ebooks cut down on the employ of paper, as advocated by environmental enthusiasts. Presently there are no fixed timings for study. There will be no question of waiting-time for new editions. Presently there is no transportation in order to the eBook shop. The particular books in an eBook go shopping can be downloaded instantly, sometimes for free, at times for any fee.

Not just that, the online edition of books are usually cheap, because publication houses save on their print and paper machinery, the benefits of which are transferred to customers. Further, typically the reach of the e-book shop is immense, permitting a person living in Australia to source out in order to a publication house inside Chicago. The newest phenomenon in the online e-book world is exactly what are known as eBook libraries, or e-book packages. An eBook package is something unusual. It consists of a huge number of ebooks bundled up together that are not necessarily readily available at one single place. So instead associated with hunting down and buying, say 100 literary timeless classics, you can buy an eBook package which contains all these kinds of ebooks bundled together. These kinds of eBook libraries typically offer a substantial savings, and are usually offered inside a variety of formats to fit your brand of eBook reader. Large companies, such since Amazon or Barnes & Noble, tend to not necessarily carry these eBook your local library. If you want in order to buy one of these your local library, you will have in order to find independent eBook shops. These independent eBook shops typically package the e-book libraries by genre, and have an assortment of00 genres.

© Copyright 2020 - All Rights Reserved