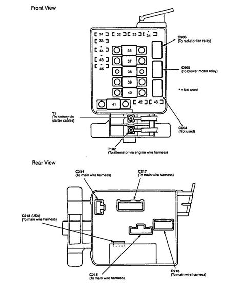
1994 Integra Fuse Box Diagram

Currently you are looking with regard to an 1994 Integra Fuse Box Diagram example that we provide here inside some type of document formats like as PDF, Doc, Energy Point, and also images that will make it easier for you to create an 1994 Integra Fuse Box Diagram yourself. For a better look, you can open some examples below. Each of the good examples about 1994 Integra Fuse Box Diagram with this web site, we get from a number of sources so you can create a better document of your own. When the search you obtain here does not match up what you are seeking for, please use the research feature that we possess provided here. You will be free to download something that we provide in this article, investment decision you won't cost you typically the slightest.

1994 Integra Fuse Box Diagram

Everybody knows that reading 1994 Integra Fuse Box Diagram is effective, because we can easily get enough detailed information online through the reading materials. Technology has developed, and reading 1994 Integra Fuse Box Diagram books can be far easier and simpler. We could read books on our mobile, tablets and Kindle, etc. Hence, there are lots of books coming into PDF format.

Listed below are some websites for downloading free PDF books where one can acquire as much knowledge as you wish. These days everybody, young and older, should familiarize themselves together with the growing eBook industry. Ebooks and eBook visitors provide substantial benefits more than traditional reading. Ebooks reduce down on the make use of of paper, as recommended by environmental enthusiasts. Right now there are no fixed timings for study. There will be no question of waiting-time for new editions. Right now there is no transportation to the eBook shop. The particular books in a eBook store can be downloaded instantly, sometimes for free, at times for any fee.

Not simply that, the online edition of books are typically less expensive, because publication houses save on their print in addition to paper machinery, the advantages of which are given to to customers. Further, the reach of the e book shop is immense, enabling a person living in Sydney to source out to a publication house inside Chicago. The newest trend in the online e book world is what are called eBook libraries, or e book packages. An eBook package deal is something unusual. That consists of a huge number of ebooks included together that are not easily obtainable at one single place. So instead regarding hunting down and acquiring, say 100 literary classics, you can purchase an eBook package deal which contains all these ebooks bundled together. These kinds of eBook libraries typically offer you a substantial savings, in addition to are usually offered inside a variety of formats to suit your brand of electronic reading device. Large companies, such as Amazon or Barnes & Noble, tend to not carry these eBook your local library. If you want to buy one of these your local library, you will have to search out independent eBook stores. These independent eBook stores typically package the e book libraries by genre, in addition to have a wide selection of genres.

© Copyright 2020 - All Rights Reserved